| Sign In | Join Free | My chinacomputerparts.com |
|
Brand Name : ZTRFM
Model Number : PURLIN
Certification : CE,SGS
Place of Origin : China
MOQ : 1 set
Price : Negotiable
Payment Terms : L/C, T/T
Supply Ability : 30 sets per month
Delivery Time : 45 working days
Packaging Details : Nude with anti coil coating and plastic cover
Material Thickness Range : 2.5-3.0mm
Thickness : 2-3mm
Cz Interchange Type : PLC Controlled full automatic
Roller : 20 stations
Warranty : 1 year
Condition : New
Feature : Customized , CE marked
Punching Station : optional
Rolling Thickness : 2-3mm
Roller Drive : Decelerating motor+chain drive
Line Speed : Adjusted by Frequency Inverter
Level Shaft : 3 rollers for up , 4 rollers for down
Driven : gearbox
Output : about 15meters per minute
Width : C80-300mm width changeable
CZ Purlin Roll Forming Machine
The finished products are widely used as the supporter of roof and wall in large-scale and mid-scale construction, such as factory, warehouse, garage, exhibition center, cinema, theatre, garden and so on.
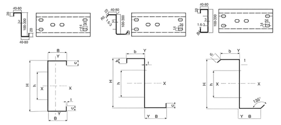
CZ Purlin Roll forming machine can produce C, Z profiles. Produce the C and Z purlin by exchange one side of the roller up and down, only need about half hour. This machine also can adjust roller horizontal distance to achieve C or Z purlins of the width with high precision automatic. And also save time and increase production.
Profile Drawings For Reference

CZ Purlin Roll Forming Machine Process Flow
Uncoiler — Feeding — Straightening — Pre-punching — Pre-cutting — Roll Forming — Exit Rack

CZ Purlin Roll Forming Machine



|
|
2mm 20 Stations Cz Purlin Roll Forming Machine Gearbox Driven Images |